K0570 Виброизоляторы с сужением и внутренней резьбой, тип CT

K0570 Виброизоляторы с сужением и внутренней резьбой, тип CT

Производитель: Kipp
Модель: K0570
Наличие: Под заказ 3-6 дней
Просмотров 281

Описание товара

Материалы:

  • Металлические части из стали класса прочности 5.6.
  • Эластомер из натурального каучука со средней твердостью по Шору 57A.

Исполнение:

  • Виброизоляторы со внутренней резьбой, тип CT.
  • Сталь оцинкованная.

Указания по применению:

  • Резинометаллические виброизоляторы хорошо подходят для упругого ограничения хода и амортизации толчков у машинного оборудования, например, у кондиционеров (сплит-систем) или виброплит.
  • Виброизоляторы с сужением уменьшают уровень нагрузки на края каучука при радиальном отклонении, повышая срок службы изделия.
  • Температура эксплуатации: от -30 °C до +80 °C.
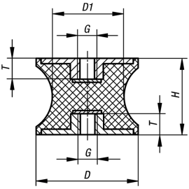
Номер заказаDD1GHTЖесткость пружины, Н/ммНагрузка, кг
K0570.015015571512M415411112,2
K0570.020015572014M615622722,7
K0570.030020573022M820825250,4
K0570.040030574033M830819979,6
K0570.040048574020M848811155,5
K0570.050030575040M10301049999,8
K0570.075040577550M124012597203

Написать отзыв

Примечание: HTML разметка не поддерживается! Используйте обычный текст.
    Плохо           Хорошо