K0632 Штифты стопорные резьбовые из нержавеющей стали
Просмотров 575
Описание товара
Материалы:
- Ручка и резьбовая втулка из нержавеющей стали 1.4305.
- Стопорный штифт (на выбор): нержавеющая сталь 1.4034 (только для закаленного исполнения) или нержавеющая сталь 1.4305 (только для не закаленного исполнения).
Исполнение:
- Штифты с шестигранной основой.
- Нержавеющая сталь без покрытия.
- Ручка электролитически полированная.
- Стопорный штифт шлифованный (на выбор): закаленный (только для нержавеющей стали 1.4034) или не закаленный (только для нержавеющей стали 1.4305).
Указания по применению:
- Стопорные штифты хорошо подходят для ситуаций, где должно быть предотвращено изменение положения поперечными силами.
- Формы С и D хорошо подходят для того, чтобы избежать возвращение штифта в исходное положение в случаях когда вывод из зацепления происходит на долгий период времени.
- Переход в другое положение фиксации возможен только после ручного вывода болта из зацепления.
| Номер заказа | Форма | Исполнение | Мат. основы | D | D1 | D2 | Fx30° | L | L1 | L2 | L3 | S | SW1 | Начальная упругость примерная, кг | Конечная упругость примерная, кг |
|---|---|---|---|---|---|---|---|---|---|---|---|---|---|---|---|
| K0632.001903 | A | С закаленным стопорным штифтом | Нержавеющая сталь | 3 | M6x0,75 | 14 | 0,8 | 34,5 | 12 | 5 | 10 | 3,5 | 8 | 0,46 | 1,02 |
| K0632.001004 | A | С закаленным стопорным штифтом | Нержавеющая сталь | 4 | M8x1 | 18 | 1 | 43 | 15 | 6 | 13 | 4 | 10 | 0,61 | 1,22 |
| K0632.001105 | A | С закаленным стопорным штифтом | Нержавеющая сталь | 5 | M10x1 | 21 | 1,3 | 50 | 17 | 7 | 15 | 5 | 13 | 0,51 | 1,22 |
| K0632.001206 | A | С закаленным стопорным штифтом | Нержавеющая сталь | 6 | M12x1,5 | 25 | 1,8 | 59 | 20 | 8 | 17 | 6 | 14 | 0,61 | 1,43 |
| K0632.001308 | A | С закаленным стопорным штифтом | Нержавеющая сталь | 8 | M16x1,5 | 33 | 2,3 | 77 | 26 | 10 | 23 | 8 | 19 | 1,53 | 3,57 |
| K0632.001410 | A | С закаленным стопорным штифтом | Нержавеющая сталь | 10 | M20x1,5 | 33 | 2,8 | 83 | 28 | 12 | 25 | 10 | 22 | 1,53 | 3,47 |
| K0632.001412 | A | С закаленным стопорным штифтом | Нержавеющая сталь | 12 | M20x1,5 | 33 | 2,8 | 87 | 28 | 14 | 25 | 12 | 22 | 1,53 | 3,98 |
| K0632.001516 | A | С закаленным стопорным штифтом | Нержавеющая сталь | 16 | M24x2 | 40 | 3,2 | 106 | 32 | 18 | 28 | 16 | 27 | 2,04 | 4,69 |
| K0632.111903 | A | С не закаленным стопорным штифтом | Нержавеющая сталь | 3 | M6x0,75 | 14 | 0,8 | 34,5 | 12 | 5 | 10 | 3,5 | 8 | 0,46 | 1,02 |
| K0632.111004 | A | С не закаленным стопорным штифтом | Нержавеющая сталь | 4 | M8x1 | 18 | 1 | 43 | 15 | 6 | 13 | 4 | 10 | 0,61 | 1,22 |
| K0632.111105 | A | С не закаленным стопорным штифтом | Нержавеющая сталь | 5 | M10x1 | 21 | 1,3 | 50 | 17 | 7 | 15 | 5 | 13 | 0,51 | 1,22 |
| K0632.111206 | A | С не закаленным стопорным штифтом | Нержавеющая сталь | 6 | M12x1,5 | 25 | 1,8 | 59 | 20 | 8 | 17 | 6 | 14 | 0,61 | 1,43 |
| K0632.111308 | A | С не закаленным стопорным штифтом | Нержавеющая сталь | 8 | M16x1,5 | 33 | 2,3 | 77 | 26 | 10 | 23 | 8 | 19 | 1,53 | 3,57 |
| K0632.111410 | A | С не закаленным стопорным штифтом | Нержавеющая сталь | 10 | M20x1,5 | 33 | 2,8 | 83 | 28 | 12 | 25 | 10 | 22 | 1,53 | 3,47 |
| K0632.111412 | A | С не закаленным стопорным штифтом | Нержавеющая сталь | 12 | M20x1,5 | 33 | 2,8 | 87 | 28 | 14 | 25 | 12 | 22 | 1,53 | 3,98 |
| K0632.111516 | A | С не закаленным стопорным штифтом | Нержавеющая сталь | 16 | M24x2 | 40 | 3,2 | 106 | 32 | 18 | 28 | 16 | 27 | 2,04 | 4,69 |
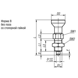
| Номер заказа | Форма | Исполнение | Мат. основы | D | D1 | D2 | Fx30° | L | L1 | L2 | L3 | S | SW1 | SW2 | Начальная упругость примерная, кг | Конечная упругость примерная, кг |
|---|---|---|---|---|---|---|---|---|---|---|---|---|---|---|---|---|
| K0632.002903 | B | С закаленным стопорным штифтом | Нержавеющая сталь | 3 | M6x0,75 | 14 | 0,8 | 34,5 | 12 | 5 | 10 | 3,5 | 8 | 10 | 0,46 | 1,02 |
| K0632.002004 | B | С закаленным стопорным штифтом | Нержавеющая сталь | 4 | M8x1 | 18 | 1 | 43 | 15 | 6 | 13 | 4 | 10 | 13 | 0,61 | 1,22 |
| K0632.002105 | B | С закаленным стопорным штифтом | Нержавеющая сталь | 5 | M10x1 | 21 | 1,3 | 50 | 17 | 7 | 15 | 5 | 13 | 17 | 0,51 | 1,22 |
| K0632.002206 | B | С закаленным стопорным штифтом | Нержавеющая сталь | 6 | M12x1,5 | 25 | 1,8 | 59 | 20 | 8 | 17 | 6 | 14 | 19 | 0,61 | 1,43 |
| K0632.002308 | B | С закаленным стопорным штифтом | Нержавеющая сталь | 8 | M16x1,5 | 33 | 2,3 | 77 | 26 | 10 | 23 | 8 | 19 | 24 | 1,53 | 3,57 |
| K0632.002410 | B | С закаленным стопорным штифтом | Нержавеющая сталь | 10 | M20x1,5 | 33 | 2,8 | 83 | 28 | 12 | 25 | 10 | 22 | 30 | 1,53 | 3,47 |
| K0632.002412 | B | С закаленным стопорным штифтом | Нержавеющая сталь | 12 | M20x1,5 | 33 | 2,8 | 87 | 28 | 14 | 25 | 12 | 22 | 30 | 1,53 | 3,98 |
| K0632.002516 | B | С закаленным стопорным штифтом | Нержавеющая сталь | 16 | M24x2 | 40 | 3,2 | 106 | 32 | 18 | 28 | 16 | 27 | 36 | 2,04 | 4,69 |
| K0632.112903 | B | С не закаленным стопорным штифтом | Нержавеющая сталь | 3 | M6x0,75 | 14 | 0,8 | 34,5 | 12 | 5 | 10 | 3,5 | 8 | 10 | 0,46 | 1,02 |
| K0632.112004 | B | С не закаленным стопорным штифтом | Нержавеющая сталь | 4 | M8x1 | 18 | 1 | 43 | 15 | 6 | 13 | 4 | 10 | 13 | 0,61 | 1,22 |
| K0632.112105 | B | С не закаленным стопорным штифтом | Нержавеющая сталь | 5 | M10x1 | 21 | 1,3 | 50 | 17 | 7 | 15 | 5 | 13 | 17 | 0,51 | 1,22 |
| K0632.112206 | B | С не закаленным стопорным штифтом | Нержавеющая сталь | 6 | M12x1,5 | 25 | 1,8 | 59 | 20 | 8 | 17 | 6 | 14 | 19 | 0,61 | 1,43 |
| K0632.112308 | B | С не закаленным стопорным штифтом | Нержавеющая сталь | 8 | M16x1,5 | 33 | 2,3 | 77 | 26 | 10 | 23 | 8 | 19 | 24 | 1,53 | 3,57 |
| K0632.112410 | B | С не закаленным стопорным штифтом | Нержавеющая сталь | 10 | M20x1,5 | 33 | 2,8 | 83 | 28 | 12 | 25 | 10 | 22 | 30 | 1,53 | 3,47 |
| K0632.112412 | B | С не закаленным стопорным штифтом | Нержавеющая сталь | 12 | M20x1,5 | 33 | 2,8 | 87 | 28 | 14 | 25 | 12 | 22 | 30 | 1,53 | 3,98 |
| K0632.112516 | B | С не закаленным стопорным штифтом | Нержавеющая сталь | 16 | M24x2 | 40 | 3,2 | 106 | 32 | 18 | 28 | 16 | 27 | 36 | 2,04 | 4,69 |
| Номер заказа | Форма | Исполнение | Мат. основы | D | D1 | D2 | Fx30° | L | L1 | L2 | L3 | S | SW1 | Начальная упругость примерная, кг | Конечная упругость примерная, кг |
|---|---|---|---|---|---|---|---|---|---|---|---|---|---|---|---|
| K0632.003903 | C | С закаленным стопорным штифтом | Нержавеющая сталь | 3 | M6x0,75 | 14 | 0,8 | 31,5 | 12 | 5 | 10 | 3,5 | 8 | 0,46 | 1,02 |
| K0632.003004 | C | С закаленным стопорным штифтом | Нержавеющая сталь | 4 | M8x1 | 18 | 1 | 38,5 | 15 | 6 | 13 | 4 | 10 | 0,61 | 1,22 |
| K0632.003105 | C | С закаленным стопорным штифтом | Нержавеющая сталь | 5 | M10x1 | 21 | 1,3 | 43,5 | 17 | 7 | 15 | 5 | 13 | 0,51 | 1,22 |
| K0632.003206 | C | С закаленным стопорным штифтом | Нержавеющая сталь | 6 | M12x1,5 | 25 | 1,8 | 51,7 | 20 | 8 | 17 | 6 | 14 | 0,61 | 1,43 |
| K0632.003308 | C | С закаленным стопорным штифтом | Нержавеющая сталь | 8 | M16x1,5 | 33 | 2,3 | 68 | 26 | 10 | 23 | 8 | 19 | 1,53 | 3,57 |
| K0632.003410 | C | С закаленным стопорным штифтом | Нержавеющая сталь | 10 | M20x1,5 | 33 | 2,8 | 74 | 28 | 12 | 25 | 10 | 22 | 1,53 | 3,47 |
| K0632.003412 | C | С закаленным стопорным штифтом | Нержавеющая сталь | 12 | M20x1,5 | 33 | 2,8 | 78 | 28 | 14 | 25 | 12 | 22 | 1,53 | 3,98 |
| K0632.003516 | C | С закаленным стопорным штифтом | Нержавеющая сталь | 16 | M24x2 | 40 | 3,2 | 96 | 32 | 18 | 28 | 16 | 27 | 2,04 | 4,69 |
| K0632.113903 | C | С не закаленным стопорным штифтом | Нержавеющая сталь | 3 | M6x0,75 | 14 | 0,8 | 31,5 | 12 | 5 | 10 | 3,5 | 8 | 0,46 | 1,02 |
| K0632.113004 | C | С не закаленным стопорным штифтом | Нержавеющая сталь | 4 | M8x1 | 18 | 1 | 38,5 | 15 | 6 | 13 | 4 | 10 | 0,61 | 1,22 |
| K0632.113105 | C | С не закаленным стопорным штифтом | Нержавеющая сталь | 5 | M10x1 | 21 | 1,3 | 43,5 | 17 | 7 | 15 | 5 | 13 | 0,51 | 1,22 |
| K0632.113206 | C | С не закаленным стопорным штифтом | Нержавеющая сталь | 6 | M12x1,5 | 25 | 1,8 | 51,7 | 20 | 8 | 17 | 6 | 14 | 0,61 | 1,43 |
| K0632.113308 | C | С не закаленным стопорным штифтом | Нержавеющая сталь | 8 | M16x1,5 | 33 | 2,3 | 68 | 26 | 10 | 23 | 8 | 19 | 1,53 | 3,57 |
| K0632.113410 | C | С не закаленным стопорным штифтом | Нержавеющая сталь | 10 | M20x1,5 | 33 | 2,8 | 74 | 28 | 12 | 25 | 10 | 22 | 1,53 | 3,47 |
| K0632.113412 | C | С не закаленным стопорным штифтом | Нержавеющая сталь | 12 | M20x1,5 | 33 | 2,8 | 78 | 28 | 14 | 25 | 12 | 22 | 1,53 | 3,98 |
| K0632.113516 | C | С не закаленным стопорным штифтом | Нержавеющая сталь | 16 | M24x2 | 40 | 3,2 | 96 | 32 | 18 | 28 | 16 | 27 | 2,04 | 4,69 |
| Номер заказа | Форма | Исполнение | Мат. основы | D | D1 | D2 | Fx30° | L | L1 | L2 | L3 | S | SW1 | SW2 | Начальная упругость примерная, кг | Конечная упругость примерная, кг |
|---|---|---|---|---|---|---|---|---|---|---|---|---|---|---|---|---|
| K0632.004903 | D | С закаленным стопорным штифтом | Нержавеющая сталь | 3 | M6x0,75 | 14 | 0,8 | 31,5 | 12 | 5 | 10 | 3,5 | 8 | 10 | 0,46 | 1,02 |
| K0632.004004 | D | С закаленным стопорным штифтом | Нержавеющая сталь | 4 | M8x1 | 18 | 1 | 38,5 | 15 | 6 | 13 | 4 | 10 | 13 | 0,61 | 1,22 |
| K0632.004105 | D | С закаленным стопорным штифтом | Нержавеющая сталь | 5 | M10x1 | 21 | 1,3 | 43,5 | 17 | 7 | 15 | 5 | 13 | 17 | 0,51 | 1,22 |
| K0632.004206 | D | С закаленным стопорным штифтом | Нержавеющая сталь | 6 | M12x1,5 | 25 | 1,8 | 51,7 | 20 | 8 | 17 | 6 | 14 | 19 | 0,61 | 1,43 |
| K0632.004308 | D | С закаленным стопорным штифтом | Нержавеющая сталь | 8 | M16x1,5 | 33 | 2,3 | 68 | 26 | 10 | 23 | 8 | 19 | 24 | 1,53 | 3,57 |
| K0632.004410 | D | С закаленным стопорным штифтом | Нержавеющая сталь | 10 | M20x1,5 | 33 | 2,8 | 74 | 28 | 12 | 25 | 10 | 22 | 30 | 1,53 | 3,47 |
| K0632.004412 | D | С закаленным стопорным штифтом | Нержавеющая сталь | 12 | M20x1,5 | 33 | 2,8 | 78 | 28 | 14 | 25 | 12 | 22 | 30 | 1,53 | 3,98 |
| K0632.004516 | D | С закаленным стопорным штифтом | Нержавеющая сталь | 16 | M24x2 | 40 | 3,2 | 96 | 32 | 18 | 28 | 16 | 27 | 36 | 2,04 | 4,69 |
| K0632.114903 | D | С не закаленным стопорным штифтом | Нержавеющая сталь | 3 | M6x0,75 | 14 | 0,8 | 31,5 | 12 | 5 | 10 | 3,5 | 8 | 10 | 0,46 | 1,02 |
| K0632.114004 | D | С не закаленным стопорным штифтом | Нержавеющая сталь | 4 | M8x1 | 18 | 1 | 38,5 | 15 | 6 | 13 | 4 | 10 | 13 | 0,61 | 1,22 |
| K0632.114105 | D | С не закаленным стопорным штифтом | Нержавеющая сталь | 5 | M10x1 | 21 | 1,3 | 43,5 | 17 | 7 | 15 | 5 | 13 | 17 | 0,51 | 1,22 |
| K0632.114206 | D | С не закаленным стопорным штифтом | Нержавеющая сталь | 6 | M12x1,5 | 25 | 1,8 | 51,7 | 20 | 8 | 17 | 6 | 14 | 19 | 0,61 | 1,43 |
| K0632.114308 | D | С не закаленным стопорным штифтом | Нержавеющая сталь | 8 | M16x1,5 | 33 | 2,3 | 68 | 26 | 10 | 23 | 8 | 19 | 24 | 1,53 | 3,57 |
| K0632.114410 | D | С не закаленным стопорным штифтом | Нержавеющая сталь | 10 | M20x1,5 | 33 | 2,8 | 74 | 28 | 12 | 25 | 10 | 22 | 30 | 1,53 | 3,47 |
| K0632.114412 | D | С не закаленным стопорным штифтом | Нержавеющая сталь | 12 | M20x1,5 | 33 | 2,8 | 78 | 28 | 14 | 25 | 12 | 22 | 30 | 1,53 | 3,98 |
| K0632.114516 | D | С не закаленным стопорным штифтом | Нержавеющая сталь | 16 | M24x2 | 40 | 3,2 | 96 | 32 | 18 | 28 | 16 | 27 | 36 | 2,04 | 4,69 |
