K1835 Втулки позиционирующие для стопорных конических штифтов

K1835 Втулки позиционирующие для стопорных конических штифтов

Производитель: Kipp
Модель: K1835
Наличие: Под заказ 3-6 дней
Просмотров 129

Описание товара

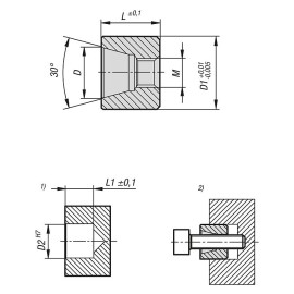
Чертежи

1 - установочные размеры.
2 - демонтаж.

Выбор/фильтр товаров

Материал:

  • Сталь.

Исполнение:

  • Сталь оцинкованная.

Указание по применению:

  • Для демонтажа вверните винт в резьбу.

Втулки подходят для:

  • K1833 Конических стопорных резьбовых штифтов с ручкой-барашком.
  • K1834 Конических стопорных штифтов с фланцем и ручкой-барашком.

Написать отзыв

Примечание: HTML разметка не поддерживается! Используйте обычный текст.
    Плохо           Хорошо