K1049 Элементы для подвижного соединения профилей (тип I)

K1049 Элементы для подвижного соединения профилей (тип I)

Производитель: Kipp
Модель: K1049
Наличие: Под заказ 3-6 дней
Просмотров 146

Описание товара

Материалы:

  • Основа литая из цинкового сплава.
  • Рычаг литой из цинкового сплава согласно DIN EN 12844 (только для форм A, B).
  • Остальные части из нержавеющей стали 1.4305 (только для форм A, B).

Исполнение:

  • Основа лакированная алюминиевого цвета.
  • Рычаг с полимерным покрытием (только для форм A, B).
  • Нержавеющая сталь без покрытия (только для форм A, B).

Указания по применению:

  • Элементы предназначены для соединения двух профилей одного и того же типа, которые соприкасаются боковыми поверхностями и перекрещиваются под любым углом.
  • Оба зажима могут деблокироваться и позволяют выполнить свободный поворот и смещение вдоль пазов.
  • Элементы для подвижного соединения профилей рекомендуется использовать попарно или в комбинации с .
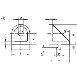
Номер заказаФормаAA1A2A3BDHLTПодходит для паза с номинальным размером
K1049.06A156,335,7247272756
K1049.08A20947,5329363668
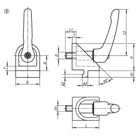
Номер заказаФормаИсполнениеAA1A2A3BDD1HLL1L2TПодходит для паза с номинальным размером
K1049.0606BС рычагом156,335,7247M62727134056
K1049.0808BС рычагом20947,5329M83636186568
Номер заказаФормаИсполнениеAA1A2A3BDHH1H2LL1TПодходит для паза с номинальным размеромFH, кгF, кг
K1049.0615CС эксцентриковым рычагом156,335,72415273462736,2569,18203,94
K1049.0820CС эксцентриковым рычагом20947,53220364483652,36810,2305,91

Написать отзыв

Примечание: HTML разметка не поддерживается! Используйте обычный текст.
    Плохо           Хорошо