K1279 Крепления для проводов на конструкционные профили

K1279 Крепления для проводов на конструкционные профили

Производитель: Kipp
Модель: K1279
Наличие: Под заказ 3-6 дней
Просмотров 119

Описание товара

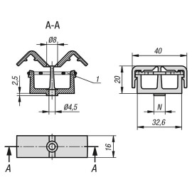
Материал:

  • Основа из полиамида.
  • Уплотнительное кольцо из FPM 70.

Исполнение:

  • Крепления черного цвета с двумя раздельных камерами.

Указания по применению:

  • Крепления подходят для крепления кабелей и шлангов диаметром до 12 мм.
  • Монтаж возможен на элементах поверхности или алюминиевых профилях (с пазом 8 или 10 мм) с помощью винтов с цилиндрической головкой или винтов со сферо-цилиндрической головкой и пазовыми сухарями.
  • Фиксация креплений осуществляется с помощью закрепленного уплотнительного кольца.
Номер заказаИсполнениеNПодходит для паза с номинальным размером
K1279.00Для плоских поверхностей--
K1279.08Для Т-пазов88
K1279.10Для Т-пазов1010

Написать отзыв

Примечание: HTML разметка не поддерживается! Используйте обычный текст.
    Плохо           Хорошо