K1630 Адаптеры для крепления антистатических контейнеров на профиль

K1630 Адаптеры для крепления антистатических контейнеров на профиль

Производитель: Kipp
Модель: K1630
Наличие: Под заказ 3-6 дней
Просмотров 126

Описание товара

Материалы:

  • Основа из антистатического полиамида, усиленного углеродным волокном.
  • Фиксатор из цинкового сплава.
  • Шестигранная гайка M4, болт с потайной головкой M4x35, винт с цилиндрической головкой M8x16 из стали.

Исполнение:

  • Адаптеры поворотные.
  • Сталь оцинкованная.

Указания по применению:

  • Адаптеры можно использовать для крепления контейнеров на профильном пазу шириной 8 или 10.
  • Адаптер можно поворачивать в обе стороны на 45°.
  • Адаптеры для антистатических контейнеров и позволяют избежать формирования электростатического искрового разряда, возможного воспламенения газов и пыли и взрывов в закрытых помещениях.
  • Адаптеры для антистатических контейнеров проверены TÜV Süd на токоотведение.

Адаптеры для антистатических контейнеров используются:
  • В случаях наличия оборудования, чувствительного к электростатическим разрядам, и защитных зон (EPA) согласно DIN EN 61340-5-1.
  • Для устройств, компонентов и защитных систем, находящихся во взрывоопасных зонах.
  • Изготовителями устройств, которые должны соблюдать требования директивы ATEX 2014/34/EU для изделий.
  • Эксплуатирующими организациями, которые должны соблюдать требования рабочей директивы ATEX 1999/92/EG.

Указание по заказу:

    В объем поставки входят:
  • 1 корпус адаптера верхний.
  • 1 корпус адаптера нижний.
  • 1 фланец адаптера.
  • 1 шестигранная гайка M4.
  • 1 болт с потайной головкой M4x35.
  • 4 фиксатора паза 8/10.
  • 1 винт с цилиндрической головкой M8x16.

Адаптеры подходят для:

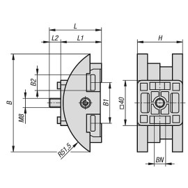
Номер заказаBB1B2BNHLL1L2
K1630.511885114,28/104040,13610,1

Написать отзыв

Примечание: HTML разметка не поддерживается! Используйте обычный текст.
    Плохо           Хорошо