K1594 Комплекты гаек и шайб Hygienic USIT

K1594 Комплекты гаек и шайб Hygienic USIT

Производитель: Kipp
Модель: K1594
Наличие: Под заказ 3-6 дней
Просмотров 148

Описание товара

Материалы:

  • Гайка и шайба из нержавеющей стали 1.4404.
  • Уплотнительное кольцо шайбы (на выбор): из 70 EPDM 291, или из 70 EPDM 253815, или из 75 фторопрена XP 45.

Исполнение:

  • Гайка полированная с поверхностью Ra < 0,8 мкм.
  • На внутренних углах гайки минимальный радиус в 3 мм.
  • 70 EPDM 291 черного цвета.
  • 70 EPDM 253815 белого цвета.
  • 75 фторопрен XP 45 синего цвета.

Указания по применению:

  • На гайки не налипают частицы грязи.
  • Гайки легко очищаются.
  • Данные комплекты предотвращают возможность образования под головкой гайки загрязнений и биопленок в виде бактериальных колоний и коррозии.
  • 70 EPDM 291 (черного цвета) - хорошо подходит для непрерывного производства, производства напитков и молочных предприятий.
  • 70 EPDM 253815 (белого цвета) - хорошо подходит для медицинской техники и фармацевтической промышленности.
  • 75 фторопрен XP 45 (синего цвета) - хорошо подходит для жиросодержащих технологических, агрессивных сред, высоких температур, например при очистке установок, в процессах мойки CIP-/SIP при воздействии стерилизации паром. Данный материал обладает расширенным температурным диапазоном применения и стойкостью как к полярным и неполярным средам, так и ароматическим веществам.
  • Внимание! Работоспособность системы резьбовых соединений Hygienic USIT® испытана при применении вместе с материалами из нержавеющей стали и обычными моющими средствами.

Комплекты подходят для:

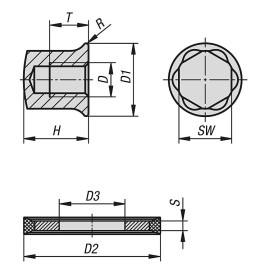
Номер заказаИсполнениеМатериал комп.Цвет комп.DD1D2D3HRSSWTСертификация
K1594.041Комплект (гайка+шайба)70 EPDM 291ЧерныйM410,89,74,190,45174,8EHEDG
K1594.042Комплект (гайка+шайба)70 EPDM 253815БелыйM410,89,74,190,45174,8EHEDG
K1594.044Комплект (гайка+шайба)75 фторопрен XP 45СинийM410,89,74,190,45174,8EHEDG
K1594.051Комплект (гайка+шайба)70 EPDM 291ЧерныйM511,810,75,1110,5186EHEDG
K1594.052Комплект (гайка+шайба)70 EPDM 253815БелыйM511,810,75,1110,5186EHEDG
K1594.054Комплект (гайка+шайба)75 фторопрен XP 45СинийM511,810,75,1110,5186EHEDG
K1594.061Комплект (гайка+шайба)70 EPDM 291ЧерныйM61413,16,1130,551107,2EHEDG
K1594.062Комплект (гайка+шайба)70 EPDM 253815БелыйM61413,16,1130,551107,2EHEDG
K1594.064Комплект (гайка+шайба)75 фторопрен XP 45СинийM61413,16,1130,551107,2EHEDG
K1594.081Комплект (гайка+шайба)70 EPDM 291ЧерныйM81816,98,1160,61139,6EHEDG
K1594.082Комплект (гайка+шайба)70 EPDM 253815БелыйM81816,98,1160,61139,6EHEDG
K1594.084Комплект (гайка+шайба)75 фторопрен XP 45СинийM81816,98,1160,61139,6EHEDG
K1594.101Комплект (гайка+шайба)70 EPDM 291ЧерныйM102221,210,1200,751,51612EHEDG
K1594.102Комплект (гайка+шайба)70 EPDM 253815БелыйM102221,210,1200,751,51612EHEDG
K1594.104Комплект (гайка+шайба)75 фторопрен XP 45СинийM102221,210,1200,751,51612EHEDG
K1594.121Комплект (гайка+шайба)70 EPDM 291ЧерныйM1226,625,512,1230,91,51814,4EHEDG
K1594.122Комплект (гайка+шайба)70 EPDM 253815БелыйM1226,625,512,1230,91,51814,4EHEDG
K1594.124Комплект (гайка+шайба)75 фторопрен XP 45СинийM1226,625,512,1230,91,51814,4EHEDG
K1594.161Комплект (гайка+шайба)70 EPDM 291ЧерныйM163533,916,1301,21,52419,2EHEDG
K1594.162Комплект (гайка+шайба)70 EPDM 253815БелыйM163533,916,1301,21,52419,2EHEDG
K1594.164Комплект (гайка+шайба)75 фторопрен XP 45СинийM163533,916,1301,21,52419,2EHEDG

Написать отзыв

Примечание: HTML разметка не поддерживается! Используйте обычный текст.
    Плохо           Хорошо