K0548 Магниты ферритовые экранированные удерживающие

K0548 Магниты ферритовые экранированные удерживающие

Производитель: Kipp
Модель: K0548
Наличие: Под заказ 3-6 дней
Просмотров 179

Описание товара

Материалы:

  • Корпус из стали.
  • Магнитный сердечник из твердого феррита.

Исполнение:

  • Сталь оцинкованная.

Указания по применению:

  • Удерживающие магниты обладают только одной удерживающей поверхностью.
  • Удерживающие магниты помогают ограничить воздействие магнитного поля, чтобы предотвратить нежелательное намагничивание всей детали, контактирующей с удерживающим магнитом, или других окружающих машинных элементов.
  • Температура эксплуатации: до +200°C.
  • Удерживающие магниты можно устанавливать методами запрессовки или вклеивания в посадочные отверстия.
  • Рекомендуется всегда содержать рабочую поверхность полюса в чистоте и регулярно очищать ее при необходимости.
  • У магнитов K0548.10 неизбежны волосные трещины на поверхности сцепления магнита, которые не сказываются на функции удерживающего магнита.
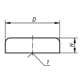
Номер заказаDHСила сцепления, кг
K0548.0110 ±0,154,50,41
K0548.0213 ±0,154,51,02
K0548.0316 ±0,154,51,84
K0548.0420 ±0,1563,06
K0548.0525 ±0,1574,08
K0548.0632 ±0,278,16
K0548.0740 ±0,2812,75
K0548.0850 ±0,21022,43
K0548.0963 ±0,21435,69
K0548.1080 ±0,251861,18

Написать отзыв

Примечание: HTML разметка не поддерживается! Используйте обычный текст.
    Плохо           Хорошо