K0552 Магниты со внутренней резьбой неодимовые

K0552 Магниты со внутренней резьбой неодимовые

Производитель: Kipp
Модель: K0552
Наличие: Под заказ 3-6 дней
Просмотров 156

Описание товара

Материалы:

  • Корпус из стали.
  • Магнитный сердечник из неодима (NdFeB).

Исполнение:

  • Цилиндрические экранированные магниты.
  • Сталь оцинкованная.
  • Исполнение K0552.08 - система с 4 магнитами диаметром 18 мм каждый.

Указания по применению:

  • Температура эксплуатации: до +80°C.
  • Цилиндрические магниты из неодима хорошо подходят для установки в глухие отверстия стальные и железные конструкции при производстве машинного оборудования и в машиностроении.
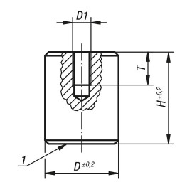
Номер заказаDD1HTГлубина фрезерованияСила сцепления, кг
K0552.018M312531,22
K0552.0210M416772,45
K0552.0313M418736,12
K0552.0416M420769,18
K0552.0520M5259913,77
K0552.0625M63091019,37
K0552.0735M840131030,59
K0552.0850M1250131356,08

Написать отзыв

Примечание: HTML разметка не поддерживается! Используйте обычный текст.
    Плохо           Хорошо