K0522 (K0523) Замки поворотные пыле-влагозащищенные

K0522 (K0523) Замки поворотные пыле-влагозащищенные

Производитель: Kipp
Модель: K0522
Наличие: Под заказ 3-6 дней
Просмотров 423

Описание товара

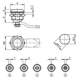
Материалы:

  • Корпус, пусковой механизм и гайка (на выбор): литые под давлением из цинкового сплава (для исполнений с квадратной головкой, шлицевым пазом или с двойной бородкой), или из полимера PA 6 GFR 30 (для исполнений с шлицевым пазом или с двойной бородкой).
  • Плоское уплотнение из резины.
  • Выступ из стали.

Исполнение:

  • Поворотные замки с углом поворота выступа 90° (четверть оборота).
  • Замок с подпружиненным выступом.
  • Цинковый сплав хромированный.
  • Полимер черного цвета.
  • Крепежная гайка с одной стороны имеет заземляющие зацепы.
  • Сталь оцинкованная.

Виды:
  • Замковые механизмы.
  • K0523 Выступы для замковых механизмов.

Указания по применению:

  • Данные замки хорошо подходят для металлических электрических шкафов (щитов), ящиков, пожарных шкафов и ящиков со счетчиками.
  • Поворотные замки могут устанавливаться справа или слева, путь запирания 90°.
  • Выступ можно установить предварительно перед монтажом.
  • Данные замки пыле и водонепроницаемые согласно IP 65.
  • Замковые механизмы из цинкового сплава защищены от вибрации. Фиксация препятствует самопроизвольному открытию.

Указания по заказу:

  • Внимание! Замковые механизмы и выступы заказываются отдельно. Каждый замковый механизм комбинируется с каждым выступом.
  • Торцовые ключи не входят в комплект поставки.
Номер заказаФормаИсполнениеМат. основыDHSWПодходящий ключ
K0522.17181AЗамковый механизм с квадратной головкой, 7 ммЦинк3018,527K0535.17
K0522.18181BЗамковый механизм с квадратной головкой, 8 ммЦинк3018,527K0535.18
K0522.20181CЗамковый механизм с шлицевым пазомЦинк3018,527-
K0522.20185CЗамковый механизм с шлицевым пазомПластик2818,527-
K0522.43181DЗамковый механизм с двойной бородкой, 3 ммЦинк3018,527K0535.43
K0522.43185DЗамковый механизм с двойной бородкой, 3 ммПластик2818,527K0535.43
K0522.45181EЗамковый механизм с двойной бородкой, 5 ммЦинк3018,527K0535.45
K0522.45185EЗамковый механизм с двойной бородкой, 5 ммПластик2818,527K0535.45
Номер заказаИсполнениеA (при длине корпуса H=18,5)L
K0523.135X165Выступ (A16,535
K0523.135X185Выступ (A=H)18,535
K0523.135X205Выступ (A>H)20,535
K0523.135X225Выступ (A>H)22,535
K0523.135X245Выступ (A>H)24,535
K0523.145X045Выступ (A4,545
K0523.145X065Выступ (A6,545
K0523.145X085Выступ (A8,545
K0523.145X105Выступ (A10,545
K0523.145X125Выступ (A12,545
K0523.145X145Выступ (A14,545
K0523.145X165Выступ (A16,545
K0523.145X185Выступ (A=H)18,545
K0523.145X205Выступ (A>H)20,545
K0523.145X215Выступ (A>H)21,545
K0523.145X225Выступ (A>H)22,545
K0523.145X245Выступ (A>H)24,545
K0523.145X265Выступ (A>H)26,545
K0523.145X285Выступ (A>H)28,545
K0523.145X305Выступ (A>H)30,545
K0523.145X325Выступ (A>H)32,545
K0523.145X345Выступ (A>H)34,545
K0523.145X365Выступ (A>H)36,545
K0523.145X385Выступ (A>H)38,545
K0523.145X405Выступ (A>H)40,545
K0523.145X425Выступ (A>H)42,545

Написать отзыв

Примечание: HTML разметка не поддерживается! Используйте обычный текст.
    Плохо           Хорошо