K0762 Ролики шаровые пружинные

K0762 Ролики шаровые пружинные

Производитель: Kipp
Модель: K0762
Наличие: Под заказ 3-6 дней
Просмотров 217

Описание товара

Материалы:

  • Корпус и крышка из стали.
  • Опорный и несущие шарики (на выбор): из стали (только для формы B) или из нержавеющей стали (только для формы C).

Исполнение:

  • Корпус и крышка оцинкованные.

Указания по применению:

  • Шаровые ролики благодаря пружинными подвесам позволяют равномерно распределять нагрузку при транспортировке грузов с неровной поверхностью качения.
  • При использовании в механизмах, таких как вырубные и гибочно-штамповочные прессы, после завершения процесса обработки, пружинных ролики разжимаются, давая обработанной детали возможность отъехать.
  • При конечном усилии шаровый ролик полностью утапливается.
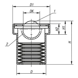
Номер заказаФормаМатериал комп.DD1DKHH1H2Усилие предварительной затяжки, кгКонечное усилие, кгДопуск для предварительного и конечного усилий, %
K0762.122BСталь395022,251,518,51474,4487,7+25 / -7,5
K0762.130BСталь48,262307024,417,7137,66163,15+15 / -7,5
K0762.145BСталь66,48545100,535,624,2232,5282,46+15 / -7,5
K0762.222CНержавеющая сталь395022,251,518,51474,4487,7+25 / -7,5
K0762.230CНержавеющая сталь48,262307024,417,7137,66163,15+15 / -7,5
K0762.245CНержавеющая сталь66,48545100,535,624,2232,5282,46+15 / -7,5

Написать отзыв

Примечание: HTML разметка не поддерживается! Используйте обычный текст.
    Плохо           Хорошо