K0767 Рым-болты DIN 580

K0767 Рым-болты DIN 580

Производитель: Kipp
Модель: K0767
Наличие: Под заказ 3-6 дней
Просмотров 239

Описание товара

Материал (на выбор):

  • Сталь для цементации 1.1141, или нержавеющая сталь 1.4301 A2, или нержавеющая сталь 1.4401 A4.

Исполнение:

  • Штампованные.
  • Сталь (на выбор): без покрытия, или гальванически оцинкованная.
  • На рым-болт нанесено клеймо со знаком CE.

Указания по применению:

  • Оптимальная грузоподъемность обеспечивается только при ввинчивании рым-болта в основу на всю длину резьбовой части.
  • Рым-болты из стали хорошо подходят для грузоподъемных работ, к которым предъявляются повышенные требования в зонах, имеющих значение для безопасности (машиностроение, грузозахватные средства, средства строповки).
  • Рым-болты из нержавеющей стали хорошо подходят для несложных грузоподъемных работ, к которым не предъявляются особые требования, например для изготовления заборов, ограждений, а также несложных работ по зажиму.
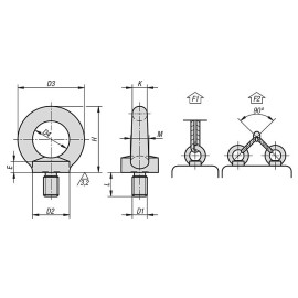
Номер заказаМатериалПоверхностьD1D2D3D4EHKLMF1 макс., кгF2 макс., кг
K0767.008Сталь 1.1141Гальванически оцинкованнаяM820362063681310142,7696,87
K0767.010Сталь 1.1141Гальванически оцинкованнаяM10254525845101712234,53173,35
K0767.012Сталь 1.1141Гальванически оцинкованнаяM1230543010531220,514346,7244,73
K0767.016Сталь 1.1141Гальванически оцинкованнаяM163563351262142716713,8509,86
K0767.020Сталь 1.1141Гальванически оцинкованнаяM2040724014711630191223,66846,36
K0767.024Сталь 1.1141Гальванически оцинкованнаяM2450905018902036241835,491295,04
K0767.08Сталь 1.1141Без покрытияM820362063681310142,7696,87
K0767.10Сталь 1.1141Без покрытияM10254525845101712234,53173,35
K0767.12Сталь 1.1141Без покрытияM1230543010531220,514346,7244,73
K0767.16Сталь 1.1141Без покрытияM163563351262142716713,8509,86
K0767.20Сталь 1.1141Без покрытияM2040724014711630191223,66846,36
K0767.24Сталь 1.1141Без покрытияM2450905018902036241835,491295,04
K0767.108Нержавеющая сталь 1.4301-M820362063681310142,7696,87
K0767.110Нержавеющая сталь 1.4301-M10254525845101712234,53173,35
K0767.112Нержавеющая сталь 1.4301-M1230543010531220,514346,7244,73
K0767.116Нержавеющая сталь 1.4301-M163563351262142716713,8509,86
K0767.120Нержавеющая сталь 1.4301-M2040724014711630191223,66846,36
K0767.124Нержавеющая сталь 1.4301-M2450905018902036241835,491295,04
K0767.208Нержавеющая сталь 1.4401-M820362063681310142,7696,87
K0767.210Нержавеющая сталь 1.4401-M10254525845101712234,53173,35
K0767.212Нержавеющая сталь 1.4401-M1230543010531220,514346,7244,73
K0767.216Нержавеющая сталь 1.4401-M163563351262142716713,8509,86
K0767.220Нержавеющая сталь 1.4401-M2040724014711630191223,66846,36
K0767.224Нержавеющая сталь 1.4401-M2450905018902036241835,491295,04

Написать отзыв

Примечание: HTML разметка не поддерживается! Используйте обычный текст.
    Плохо           Хорошо