K0110 Ручки с накаткой обнаруживаемые металлодетектором

K0110 Ручки с накаткой обнаруживаемые металлодетектором

Производитель: Kipp
Модель: K0110
Наличие: Под заказ 3-6 дней
Просмотров 253

Описание товара

Материалы:

  • Ручка из термопласта (армированного стекловолокном полиамида) с присадкой, обнаруживаемой металлодетектором.
  • Втулка, или резьбовой палец из нержавеющей стали 1.4404.

Исполнение:

  • Термопласт черно-серого цвета RAL 7021.
  • Нержавеющая сталь без покрытия.
Виды ручек (на выбор):
  • С резьбовой втулкой.
  • С наружной резьбой.

Указания по применению:

  • Благодаря использованию пластика со специальными добавками (частицы размером от 0,027 см³, 3X3X3 мм), данные ручки можно обнаружить металлодетектором (индукционная технология). Это позволяет существенно снизить риск производственного брака, или рекламаций.
  • Ручки подходят для применения в сферах пищевой, фармацевтической и упаковочной промышленности.
  • Пластик отвечает требованиям EU10/2011 и FDA.
  • Температура эксплуатации: от -20 °C до +100 °C.
  • Внимание! Из-за обнаруживаемой металлодетектором присадки возможно частичное изменение цвета поверхности пластика.
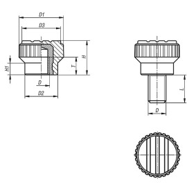
Номер заказаИсполнениеМатериал комп.DD1D2D3HH1T
K0110.140005С резьбовой втулкойНержавеющая стальM515111311,54,36
Номер заказаИсполнениеМатериал комп.DD1D2D3HH1L
K0110.140005X10С наружной резьбойНержавеющая стальM515111311,54,310
K0110.140006X20С наружной резьбойНержавеющая стальM615111311,54,320

Написать отзыв

Примечание: HTML разметка не поддерживается! Используйте обычный текст.
    Плохо           Хорошо