K0247 Ручки с накаткой антистатические

K0247 Ручки с накаткой антистатические

Производитель: Kipp
Модель: K0247
Наличие: Под заказ 4-12 дней
Просмотров 154

Описание товара

Материалы:

  • Ручки из термопласта.
  • Втулка или резьбовой болт из стали 5.8.

Исполнение:

  • Термопласт графитово-черного цвета.
  • Резьбовой болт с синим пассивированием.
  • Для однозначной идентификации сбоку на изделиях имеется желтый логотип электростатического разряда.

Указания по применению:

  • Данные ручки используются в случае наличия оборудования, чувствительного к электростатическим разрядам, и защитных зон (EPA) согласно DIN EN 61340-5-1.
  • Изделия с защитой от электростатического разряда применяются также для устройств, компонентов и защитных систем во взрывоопасных зонах.
  • При применении ручек с защитой от электростатического разряда можно избежать формирования электростатического искрового разряда и тем самым возможного воспламенения газов и пыли.
  • Ручки с защитой от электростатического разряда проверены TÜV Süd на токоотведение.
  • Ручки подходят изготовителям устройств, которые должны соблюдать требования директивы ATEX 2014/34/EU для изделия, или эксплуатирующим организациям, которые должны соблюдать требования рабочей директивы ATEX 1999/92/EG.
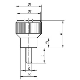
Номер заказаИсполнениеDD1D2D3HH1T
K0247.1110624С резьбовой втулкойM621141922810
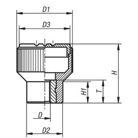
Номер заказаИсполнениеDD1D2D3HH1L
K0247.1110624X15С наружной резьбойM621141922815

Написать отзыв

Примечание: HTML разметка не поддерживается! Используйте обычный текст.
    Плохо           Хорошо