K1578 Комплекты направляющих разборные, 60 кг

K1578 Комплекты направляющих разборные, 60 кг

Производитель: Kipp
Модель: K1578
Наличие: Под заказ 3-6 дней
Просмотров 252

Описание товара

Материалы:

  • Направляющие из стали.
  • Сепараторы шарикоподшипника из стали и полимера.
  • Шарики из высокоуглеродистой стали.

Исполнение:

  • Направляющие сверхполного выдвижения.
  • Направляющие оцинкованные с синим пассивированием.
  • Шарики закаленные.

Указания по применению:

  • Данные направляющие устанавливаются только вертикально.
  • Длина хода шариковых направляющих сверхполного выдвижения больше их монтажной длины, благодаря чему обеспечивается больший комфорт использования и облегчается доступ к содержимому ящика.
  • Стопорный механизм в закрытом положении.
  • При нажатии разблокирующего рычага можно легко вынуть выдвижной ящик и отделить его от направляющей.
  • Динамическая несущая способность шариковых направляющих указывает на максимальную нагрузку на вертикально установленную пару направляющих при полном выдвижении.
  • Указанные значения несущей способности относятся к максимальному значению при 20 000 циклов.
  • Все направляющие протестированы в соответствии с DIN EN 15338, уровень 1.
  • Данные направляющие хорошо подходят для выдвижных ящиков (в том числе тяжелых и металлических).

Указание по заказу:

  • Шариковые направляющие продаются попарно.
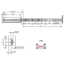
Номер заказаИсполнениеAA1A2A3A4A5A6A7BHLSГрузоподъемность для вертикально установленной пары (20000 циклов), кг
K1578.0250Комплект (2 шт.)35128----3519212,75025028860
K1578.0300Комплект (2 шт.)3512896---3524212,75030033860
K1578.0350Комплект (2 шт.)3512896---3529212,75035038860
K1578.0400Комплект (2 шт.)351289696--3534212,75040043860
K1578.0450Комплект (2 шт.)3512896128--3539212,75045048860
K1578.0500Комплект (2 шт.)351289612864-3544212,75050053860
K1578.0550Комплект (2 шт.)351289612864323549212,75055058860
K1578.0600Комплект (2 шт.)351289612896323554212,75060063860
K1578.0650Комплект (2 шт.)3512896128160323559212,75065068860
K1578.0700Комплект (2 шт.)3512896128192323564212,75070073860

Написать отзыв

Примечание: HTML разметка не поддерживается! Используйте обычный текст.
    Плохо           Хорошо