K1486 Цилиндры установочные Ball lock пневматические

K1486 Цилиндры установочные Ball lock пневматические

Производитель: Kipp
Модель: K1486
Наличие: Под заказ 3-6 дней
Просмотров 165

Описание товара

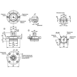
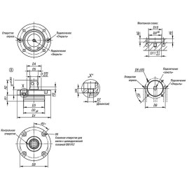
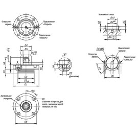
Материалы:

  • Корпус и зажимной цилиндр из улучшенной стали.
  • Шарики из нержавеющей стали 1.0503.

Исполнение:

  • Корпус закаленный и вороненный.
  • Функциональные поверхности шлифованные.

Типы цилиндров Ball lock (на выбор):
  • Форма A - центрирующие или позиционирующие.
  • Форма C - зажимные.

Указания по применению:

  • Пневматические цилиндры Ball lock хорошо подходят для установки в приспособления (пластины, кубы, зажимные стойки и т. д.) во всех монтажных положениях.
  • Благодаря модульной конструкции количество пневматических цилиндров и расстояние между ними могут быть оптимально подобраны в соответствии с задачей зажима.
  • Благодаря небольшому диаметру пневматических цилиндров, расстояние между ними можно сократить.

Указания по использованию:

  1. При подаче воздуха в подключение "Открыть", три зажимных шарика перемещаются внутрь (разжимаются).
  2. Пневматический цилиндр монтируется в .
  3. При подаче воздуха в подключение "Закрыть", три зажимных шарика перемещаются наружу, приспособление зажимается.
  • Для достижения оптимального зажимного усилия пневматические цилиндры остаются подключенными к воздуху.
Номер заказаФормаИсполнениеDD1D2D3D4D5D6D7D8D9D10D11HH1H2H3H4H5H6Зажимное усилие, кг
K1486.11670AЦентрирующий и позиционирующий16704847,53824,5M5M660485048121535851612407,89
K1486.12085AЦентрирующий и позиционирующий20855857,54831,5M6M8725860581519441062016642,42
Номер заказаФормаИсполнениеDD1D2D3D4D5D6D7D8D9D10D11HH1H2H3H4H5H6Зажимное усилие, кг
K1486.31670CЗажимной16704847,53820M5M660485048121535851612407,89
K1486.32085CЗажимной20855857,54826M6M8725860581519441062016642,42

Написать отзыв

Примечание: HTML разметка не поддерживается! Используйте обычный текст.
    Плохо           Хорошо