K1003 Модули зажимные UNI lock пневматические встраиваемые

K1003 Модули зажимные UNI lock пневматические встраиваемые

Производитель: Kipp
Модель: K1003
Наличие: Под заказ 3-6 дней
Просмотров 149

Описание товара

Материал:

  • Цементируемая сталь.

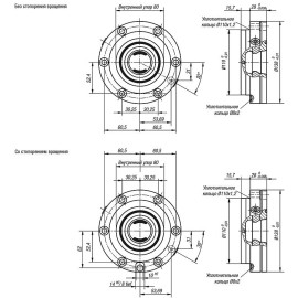
Исполнение:

  • Функциональные поверхности цементированы и шлифованы.

Типы модулей UNI lock (на выбор):
  • Без защиты от проворачивания.
  • Со стопорением вращения.

Указания по применению:

  • Модули UNI lock могут устанавливаться на станочные столы, монтироваться в устройствах (пластины, кубы, стойки и т. д.) с выступом или без него и в любом положении.
  • Количество модулей UNI lock и расстояние между ними могут быть оптимально подобраны в соответствии с задачей зажима.
  • Высокое зажимное усилие обеспечивается при помощи встроенных пружин (узел зажимается без давления).
  • Разжатие происходит пневматически.

Применение зажимных модулей UNI lock в сочетании с крепежными винтами M10, M12, M16 обеспечивают следующее удерживающее усилие:
  • Удерживающее усилие (M10) 3569 кг.
  • Удерживающее усилие (M12) 5098,58 кг.
  • Удерживающее усилие (M16) 7647,87 кг.

Указания по заказу:

В объем поставки входят:
  • 1 зажимной модуль, включая 6 крепежных винтов.
  • 6 защитных колпачков для винтов.
  • 2 патрубка для подвода воздуха, уплотнительное кольцо круглого сечения.
  • 1 вставка для уплотнительного кольца круглого сечения.

Технические данные:

  • Давление открытия: 6 бар, воздух с содержанием паров масла.
  • Турбодавление: 6 бар.
  • Патрубок для подвода воздуха: G1/8.
  • Точность воспроизведения ≤0,005 мм.
Номер заказаИсполнениеВес, кг
K1003.138280Без стопорения вращения3,56
K1003.138281Со стопорением вращения3,52

Написать отзыв

Примечание: HTML разметка не поддерживается! Используйте обычный текст.
    Плохо           Хорошо