BYN
BYN
EUR
RUB
USD
Все категории
Оборудование для лакирования и ламинирования
Автосервисное оборудование
Оборудование для кузовного ремонта
Окрасочное оборудование
Дробеструйное и дробеметное оборудование
Очистка металла
Стапели
Сварочное оборудование
Растяжки гидравлические
Системы измерения кузова
Тележки для перемещения авто
Диагностические линии
Тормозные стенды
Тестеры амортизаторов
Тестеры увода (схождения) колес
Тестеры скорости
Заправка кондиционеров автомобиля
Автоматические и полуавтоматические станции
Шиномонтажное оборудование
Шиномонтажные станки
Балансировочные станки
Вулканизаторы
Борторасширители
Мойки колес
Генераторы азота
Резервуары для подкачки колес (бустер)
Ванны для проверки колес
Пистолеты для подкачки шин
Бортоотжиматели
Ключи баллонные
Грузовое оборудование
Гайковерты для грузовых авто
Грузовое шиномонтажное оборудование
Домкраты для грузовых авто
Компрессоры для грузовых авто
Окрасочно-сушильные камеры для грузовых авто
Подставки автомобильные страховочные для грузовых авто (стойки механические)
Подъемники грузовые
Гидравлические прессы для грузовых авто
Ручной инструмент для грузовых авто
Станки для наклепки тормозных накладок для грузовых авто
Гаражное оборудование
Пылесосы
Оборудование для замены масла и технических жидкостей
Зарядные и пуско-зарядные устройства
Восстановление шаровых опор
Вывешивание двигателя
Клепальные станки для тормозных колодок
Лампы переносные
Проточка тормозных дисков
Сверлильные станки
Стяжки пружин
Удаление выхлопных газов
Стенды развал-схождения
Подъемное, гидравлическое и пневматическое оборудование
Подъемники для авто и автосервисов
Траверсы
Домкраты
Краны гидравлические
Подъемные столы
Гидравлические прессы
Трансмиссионные стойки
Подставки под автомобиль (стойки механические)
Рохли (складские тележки)
Инструмент для автосервиса
Индукционные беспламенные нагреватели металла
Ручной инструмент
Пневмоинструмент
Системы хранения и мебель
Аккумуляторный инструмент
Диагностическое оборудование
Рефрактометры
Стенды для проверки генераторов и стартеров
Установки для промывки топливных систем
Установки для регулировки света фар
Установки для диагностики и очистки форсунок
Диагностическое оборудование
Оборудование собственного производства
Оборудование для смотровых ям
Траверсы пневматические
Ямные пути
Сдвижные платформы
Аксессуары к смотровым ямам
Беспламенные нагреватели металла
Аксессуары для беспламенных нагревателей металла
Противооткатные упоры
Катушки удаления выхлопных газов
Стенды диагностики подвески
Ванны для проверки автомобильных камер и шин
Клетки для безопасной накачки колес
Металлические основания для подъемников
Промышленная фурнитура
Антивибрационные опоры и буферы
Зажимные рычаги и рукоятки
Зажимы и прижимы
Замки натяжные (лягушки)
Инструменты монтажные
Комлектующие для конструкционного профиля
Комплектующие для машин и оборудования
Комплектующие для станков
Крепежные элементы
Кромочные профили
Магниты
Маховики ручные (штурвалы)
Металлические толкатели
Ножки(опоры)
Опоры
Поворотные замки и фиксаторы
Полнотелые маховики управления
Полнотелые маховички - фиксаторы
Прижимы для сварочных и сборочных столов
Принадлежности для сварки
Приспособления для транспортировки
Промышленные ручки
Профили конструкционные алюминиевые
Профильные трубы и конструкционные профили
Рукоятки кривошипные фиксированные и с зацеплением
Ручки бугельные
Ручки зажимные и приборные
Ручки сферические и грибовидные
Ручки управления
Ручки-барашки и Т-образные ручки
Семья изделий из металла
Серия DIN
Счетчики оборотов и указатели положения
Упоры и нажимные винты
Фиксаторы пружинные
Фиксаторы пружинные и стопорные пальцы
Шайбы
Шариковые выдвижные направляющие
Шарниры
Шкалы и пузырьковые уровни
Шплинты
Элементы системы смазки и гидравлических механизмов
Промышленные подшипники
Двухрядные подшипники
Линейные направляющие
Линейные направляющие с подшипниками-роликами
Оборудование для обработки металла
Автоматические системы хранения
Покрасочные камеры
Аксессуары для покрасочной камеры
Столы сварщика
Столы сварщика неповоротные
Столы сварщика с поворотной плитой
Дробеметное и дробеструйное оборудование
Дробеструйное оборудование
Дробеметное оборудование
Оборудование для подготовки и порошковой окраски металла
Камеры и печи полимеризации порошковой краски
Камеры напыления порошковой краски
Линии и комплексы порошковой окраски
Нанесение краски
Оборудование нанесения
Печи полимеризации и сушки
Теплогенераторы
Транспортные системы
Ванны флюидизации
Термоабразивная очистка поверхности
Лазерная резка металла
Лазерная сварка металла
Лазерная очистка металла
Фильтровентиляционные установки
Тестеры люфтов подвески
Диагностическое оборудование META
Анализаторы и индикаторы алкоголя
Весоизмерительное оборудование
Весы для взвешивания автомобилей в движении
Весы платформенные автомобильные
Передвижные посты весового контроля
Портативные автомобильные весы
Газоанализаторы автомобильные Автоскан
Газоанализатор-дымомер
Газоанализаторы автомобильные Двухкомпонентные 2 класс
Газоанализаторы автомобильные Многокомпонентные 0 класс
Газоанализаторы автомобильные Многокомпонентные 1 класс
Газоанализаторы автомобильные Многокомпонентные 2 класс
Диагностическое оборудование
Линии технического контроля
Люфт-детекторы
Универсальные тормозные стенды
Тягачи электрические и электротолкатели
Компрессоры воздушные
Компрессоры поршневые
Безмасляные компрессоры
Винтовые компрессоры
С прямым приводом
С ременным приводом
Воздушные шланги
Шланги на автоматических катушках
Транспортные тележки
Безрельсовые поворотные передаточные тележки с кабельным питанием
Безрельсовые самоходные аккумуляторные грузовые тележки
Передаточные грузовые тележки на рельсовом ходу с кабельной подачей питания
Грузовые передаточные тележки на рельсовом ходу с аккумуляторным питанием
Поворотные механические грузовые тележки
Механические рельсовые грузовые тележки
Автоматические самоходные передаточные транспортные тележки AGV
Автономные передаточные самоходные роботы тележки AMR
Звоните:
+375 44 506-61-47
BYN
BYN
EUR
RUB
USD
Сравнение
Каталог
Оборудование собственного производства
Оборудование для смотровых ям
Траверсы пневматические
Ямные пути
Сдвижные платформы
Аксессуары к смотровым ямам
Беспламенные нагреватели металла
Аксессуары для беспламенных нагревателей металла
Противооткатные упоры
Катушки удаления выхлопных газов
Стенды диагностики подвески
Ванны для проверки автомобильных камер и шин
Клетки для безопасной накачки колес
Металлические основания для подъемников
Оборудование для обработки металла
Автоматические системы хранения
Покрасочные камеры
Аксессуары для покрасочной камеры
Столы сварщика
Столы сварщика неповоротные
Столы сварщика с поворотной плитой
Столы сварщика с поворотной плитой с ручным вращением поворотной плиты
Дробеметное и дробеструйное оборудование
Дробеструйное оборудование
Дробеметное оборудование
Оборудование для подготовки и порошковой окраски металла
Камеры и печи полимеризации порошковой краски
Камеры напыления порошковой краски
Линии и комплексы порошковой окраски
Нанесение краски
Оборудование нанесения
Печи полимеризации и сушки
Теплогенераторы
Транспортные системы
Ванны флюидизации
Термоабразивная очистка поверхности
Лазерная резка металла
Лазерная сварка металла
Лазерная очистка металла
Фильтровентиляционные установки
Промышленная фурнитура
Антивибрационные опоры и буферы
Зажимные рычаги и рукоятки
Зажимы и прижимы
Замки натяжные (лягушки)
Инструменты монтажные
Комлектующие для конструкционного профиля
Комплектующие для машин и оборудования
Комплектующие для станков
Крепежные элементы
Кромочные профили
Магниты
Маховики ручные (штурвалы)
Металлические толкатели
Ножки(опоры)
Опоры
Поворотные замки и фиксаторы
Полнотелые маховики управления
Полнотелые маховички - фиксаторы
Прижимы для сварочных и сборочных столов
Принадлежности для сварки
Приспособления для транспортировки
Промышленные ручки
Профили конструкционные алюминиевые
Профильные трубы и конструкционные профили
Рукоятки кривошипные фиксированные и с зацеплением
Ручки бугельные
Ручки зажимные и приборные
Ручки сферические и грибовидные
Ручки управления
Ручки-барашки и Т-образные ручки
Семья изделий из металла
Серия DIN
Счетчики оборотов и указатели положения
Упоры и нажимные винты
Фиксаторы пружинные
Фиксаторы пружинные и стопорные пальцы
Шайбы
Шариковые выдвижные направляющие
Шарниры
Шкалы и пузырьковые уровни
Шплинты
Элементы системы смазки и гидравлических механизмов
Оборудование для лакирования и ламинации
Диагностическое оборудование META
Анализаторы и индикаторы алкоголя
Весоизмерительное оборудование
Весы для взвешивания автомобилей в движении
Весы платформенные автомобильные
Передвижные посты весового контроля
Портативные автомобильные весы
Газоанализаторы автомобильные Автоскан
Газоанализатор-дымомер
Газоанализаторы автомобильные Двухкомпонентные 2 класс
Газоанализаторы автомобильные Многокомпонентные 0 класс
Газоанализаторы автомобильные Многокомпонентные 1 класс
Газоанализаторы автомобильные Многокомпонентные 2 класс
Диагностическое оборудование
Линии технического контроля
Люфт-детекторы
Универсальные тормозные стенды
Подшипники
Двухрядные подшипники
Линейные направляющие
Линейные направляющие с подшипниками-роликами
Компрессоры воздушные
Компрессоры поршневые
Безмасляные компрессоры
Винтовые компрессоры
С прямым приводом
С ременным приводом
Воздушные шланги
Шланги на автоматических катушках
Автосервисное оборудование
Оборудование для кузовного ремонта
Окрасочное оборудование
Дробеструйное и дробеметное оборудование
Очистка металла
Стапели
Сварочное оборудование
Растяжки гидравлические
Системы измерения кузова
Тележки для перемещения авто
Заправка кондиционеров автомобиля
Автоматические и полуавтоматические станции
Диагностические линии
Тормозные стенды
Тестеры амортизаторов
Тестеры увода (схождения) колес
Тестеры люфтов подвески
Тестеры скорости
Шиномонтажное оборудование
Шиномонтажные станки
Балансировочные станки
Вулканизаторы
Гайковерты для грузовых авто
Борторасширители
Мойки колес
Генераторы азота
Резервуары для подкачки колес (бустер)
Ванны для проверки колес
Пистолеты для подкачки шин
Бортоотжиматели
Ключи баллонные
Грузовое оборудование
Гайковерты для грузовых авто
Грузовое шиномонтажное оборудование
Домкраты для грузовых авто
Компрессоры для грузовых авто
Окрасочно-сушильные камеры для грузовых авто
Подставки автомобильные страховочные для грузовых авто (стойки механические)
Подъемники грузовые
Гидравлические прессы для грузовых авто
Ручной инструмент для грузовых авто
Станки для наклепки тормозных накладок для грузовых авто
Инструмент для автосервиса
Индукционные беспламенные нагреватели металла
Ручной инструмент
Пневмоинструмент
Системы хранения и мебель
Аккумуляторный инструмент
Диагностическое оборудование
Рефрактометры
Стенды для проверки генераторов и стартеров
Установки для промывки топливных систем
Установки для регулировки света фар
Установки для диагностики и очистки форсунок
Стенды развал-схождения
Подъемное, гидравлическое и пневматическое оборудование
Подъемники для авто и автосервисов
Траверсы
Домкраты
Краны гидравлические
Подъемные столы
Гидравлические прессы
Трансмиссионные стойки
Подставки под автомобиль (стойки механические)
Рохли (складские тележки)
Гаражное оборудование
Оборудование для замены масла и технических жидкостей
Зарядные и пуско-зарядные устройства
Восстановление шаровых опор
Вывешивание двигателя
Клепальные станки для тормозных колодок
Лампы переносные
Проточка тормозных дисков
Сверлильные станки
Стяжки пружин
Удаление выхлопных газов
Транспортные тележки
Безрельсовые поворотные передаточные тележки с кабельным питанием
Безрельсовые самоходные аккумуляторные грузовые тележки
Передаточные грузовые тележки на рельсовом ходу с кабельной подачей питания
Грузовые передаточные тележки на рельсовом ходу с аккумуляторным питанием
Поворотные механические грузовые тележки
Механические рельсовые грузовые тележки
Автоматические самоходные передаточные транспортные тележки AGV
Автономные передаточные самоходные роботы тележки AMR
О нас
Отзывы
Контакты
Sign in Or Register
Login with your social account
Forgot Your Password?
Авторизация
NEW HERE?
Registration is free and easy!
Faster checkout
Save multiple shipping addresses
View and track orders and more
Create an account
K0839 Блоки подкладные для регулируемых прихватов (K0833)
Промышленная фурнитура
Зажимы станочнные
K0839 Блоки подкладные для регулируемых прихватов (K0833)
K0839 Блоки подкладные для регулируемых прихватов (K0833)
0 отзывов
Узнать цену
Производитель:
Kipp
Модель:
K0839
Наличие:
Под заказ 3-6 дней
Просмотров
123
Количество
В сравнение
Описание
Отзывов (0)
Описание товара
Материал:
Углеродистая сталь.
Исполнение:
Вороненные.
Указание по применению:
Данные блоки хорошо подходят для фрезерных станков по металлу.
Блоки подходят для:
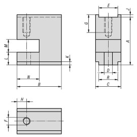
Номер заказа
A
B
C
D
E
F
G
H
J
K
L
M
N
R
K0839.12075
75
70
40
13
30
M12
24
15
4
5
20
20
35
30
K0839.12100
100
70
40
13
30
M12
24
15
3
5
20
20
35
30
K0839.16075
75
90
50
17
40
M16
30
20
4
5
20
20
45
40
K0839.16100
100
90
50
17
40
M16
30
20
3
5
20
20
45
40
Написать отзыв
Ваше имя:
Ваш отзыв:
Примечание:
HTML разметка не поддерживается! Используйте обычный текст.
Оценка:
Плохо
Хорошо
Продолжить
×
Узнать цену
Как к Вам можно обращаться?
*
Телефон
*
Email
*
Оставить заявку
×
Товар успешно добавлен в корзину. Что дальше?