K1391 Штифты для зажимных механизмов (K1390)

K1391 Штифты для зажимных механизмов (K1390)

Производитель: Kipp
Модель: K1391
Наличие: Под заказ 3-6 дней
Просмотров 103

Описание товара

Материал:

  • Углеродистая сталь.

Исполнение:

  • Закаленные и вороненные.

Указания по применению:

  • Данные штифты хорошо подходят для фрезерных станков по металлу.
  • Штифты для пневматических зажимных механизмов (K1390) ввинчиваются в обрабатываемую деталь.
  • Обрабатываемая деталь может быть быстро соединена и разъединена с зажимным механизмом через пневматический клапан. Поэтому пневматические зажимные механизмы можно также использовать в качестве системы с нулевой точкой.

Штифты подходят для:

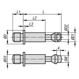
Номер заказаDD1D2D3LL1L2L3SW
K1391.1080901284,3M8389241,56
K1391.1100111284,3M103811241,56
K1391.11201320126,5M12481331,5210
K1391.11601720126,5M16481731,5210

Написать отзыв

Примечание: HTML разметка не поддерживается! Используйте обычный текст.
    Плохо           Хорошо