K1820 Фланцы монтажные для пневматических резьбовых прижимов

K1820 Фланцы монтажные для пневматических резьбовых прижимов

Производитель: Kipp
Модель: K1820
Наличие: Под заказ 3-6 дней
Просмотров 108

Описание товара

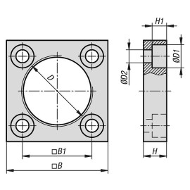
Материал:

  • Алюминий.

Указания по применению:

  • Благодаря использованию монтажного фланца, в крепежной плите устройства не нужно нарезать дополнительную резьбу.
  • Крепежные отверстия для четырех винтов с цилиндрической головкой имеют те же размеры, что и у поворотных прижимов с фланцем (K1818), а также, у рычажных прижимов с фланцем (K1819).
  • Фланцы могут использоваться на устройствах для законтривания с помощью шлицевой гайки.

Фланцы подходят для:

Номер заказаРазмерBB1DD1D2HH1
K1820.12123524M25x1,584,585
K1820.16164029M30x1,584,585
K1820.20204532M35x1,595,596
K1820.25255037M40x1,595,596
K1820.32326045M50x1,5116,5127
K1820.40406550M55x1,5116,5127
K1820.50507558M65x1,5138,5159
K1820.63638870M80x1,5138,5159

Написать отзыв

Примечание: HTML разметка не поддерживается! Используйте обычный текст.
    Плохо           Хорошо