K0052 Защелки натяжные регулируемые со скобой усиленные

K0052 Защелки натяжные регулируемые со скобой усиленные

Производитель: Kipp
Модель: K0052
Наличие: Под заказ 3-6 дней
Просмотров 415

Описание товара

Материал:

  • Сталь.

Исполнение:

  • Защелки натяжные бугельные рычажные.
  • Оцинкованы с синим пассивированием.
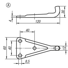
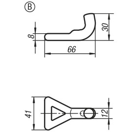
  • Крюк формы B (привариваемый) без покрытия.

Указание по применению:

  • Усиленные кованые натяжные защелки, предназначенные для высоких нагрузок при растяжении, применяются преимущественно для грузового и сельскохозяйственного машиностроения, а также на строительных установках.
  • В закрытом состоянии защелка запирается фиксатором для предотвращения случайного открывания.
  • Для компенсации допусков и создания достаточного зажимного усилия положение скобы регулируется шпинделем (D1).
  • Крюки заказываются отдельно в желаемом исполнении.
  • Удерживающую силу F1 обеспечивает натяжная защёлка, а не крюк.
  • Защелки хорошо подходят для легковых прицепов.
Номер заказаИсполнениеAA1BB1B2B3DD1HH1H2LL1L2L3L4Зажимное усилие, кг
K0052.1702041Защелка5062371830147M103017142048616251652039,43
K0052.1852371Защелка6582502036158,5M14x1,532201823710421401903110,13
Номер заказаФормаИсполнениеПоверхность
K0052.91851201AКрюк привинчиваемыйОцинкованная с синим пассивированием
Номер заказаФормаИсполнениеПоверхность
K0052.92000601BКрюк приварнойБез покрытия

Написать отзыв

Примечание: HTML разметка не поддерживается! Используйте обычный текст.
    Плохо           Хорошо