K1506 Адаптеры для фиксации прижимов на сварочных столах

K1506 Адаптеры для фиксации прижимов на сварочных столах

Производитель: Kipp
Модель: K1506
Наличие: Под заказ 3-6 дней
Просмотров 152

Описание товара

Материалы:

  • Переходная пластина из стали.
  • Клиновые сухари (на выбор): из стали 1.0715 или нержавеющей стали 1.4305.

Исполнение:

  • Переходная пластина оцинкованная.
  • Сталь 1.0715 вороненная.
  • Нержавеющая сталь 1.4305 калиброванная.

Указания по применению:

  • Адаптеры зажимаются в отверстии поворотом винта с цилиндрической головкой.
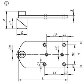
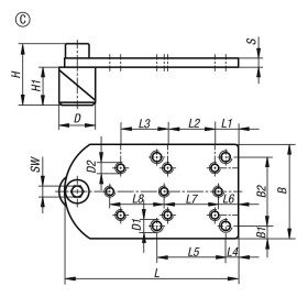
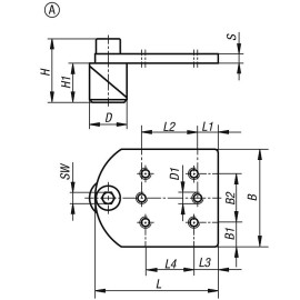
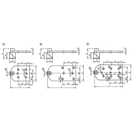
  • Адаптеры позволяют монтировать на плиты с координатно-фиксирующими отверстиями, а также плиты с отверстиями Ø 16 мм, Ø 20 мм или Ø 28 мм, прижимы с расположениями отверстий 3 и/или 4.

Адаптеры подходят для:

  • K0660 Механических прижимов из стали со стопорной рукояткой.
  • K0660 Прижимов из нержавеющей стали со стопорной рукояткой.
  • K0662 Механических прижимов из стали со стопорной рукояткой с расположениями отверстий 3 и 4.
  • K0662 Прижимов из нержавеющей стали со стопорной рукояткой.
Номер заказаФормаМатериал комп.BB1B2DD1HH1LL1L2L3L4SSW
K1506.0016AСталь52131616M530,517,5661130132656
K1506.0028AСталь52132628M54128661130132656
K1506.1020AНержавеющая сталь52132620M53421661130132656
Номер заказаФормаМатериал комп.BB1B2DD1D2HH1LL1L2L3L4SSW
K1506.0116BСталь5272816M6M530,517,596113073856
K1506.0128BСталь5273828M6M5412896113073856
K1506.1120BНержавеющая сталь5273820M6M5342196113073856
Номер заказаФормаМатериал комп.BB1B2DD1D2HH1LL1L2L3L4L5L6L7L8SSW
K1506.0216CСталь5273816M6M530,517,59613262673811303056
K1506.0228CСталь5273828M6M541289613262673811303056
K1506.1220CНержавеющая сталь5273820M6M534219613262673811303056

Написать отзыв

Примечание: HTML разметка не поддерживается! Используйте обычный текст.
    Плохо           Хорошо